雷研精密傳動設備有限公司供應SFV2004滾珠絲杠【貨源充足、價格合理、原裝正品、品牌齊全】請需要SFV2004滾珠絲杠的朋友聯系:黃志杰(經理)? 聯系電話:15802034588。
SFV2004滾珠絲桿參數
型號:SFV2004
絲桿外徑:20
導程:4
珠徑:2.381
螺母外徑:40
法蘭直徑:60
法蘭的厚度:10
螺母的長度:50
安裝孔之間的距離:50
法蘭的寬度:40
珠圈數4.8×1
動額定負荷:1247
靜額定負荷:3584
剛性:45。
圖紙下載:SFV2004滾珠絲杠圖紙PDF
【軸向間隙的消除方法】
滾珠絲杠副拆裝后,為保證反向傳動精度和軸向剛度,必須消除軸向間隙。雙螺母滾珠絲杠副消除間隙的方法為,利用兩個螺母的相對軸向位移,使兩個滾珠螺母中的滾珠分別貼緊在螺紋滾道的兩個相反的側面上。用這種方法預緊消除軸向間隙時,應注意預緊力不宜過大,否則會使空載力矩增加.從而降低傳動效率。
瀏覽SFV2004滾珠絲桿的用戶還會?
DFV2004滾珠絲桿、DFI2004滾珠絲杠等。
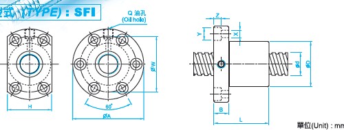
SFI2004滾珠絲杠參數
型號:SFI2004
絲桿外徑:20
導程:4
珠徑:2.381
螺母外徑:34
法蘭直徑:57
法蘭的厚度:11
螺母的長度:46
安裝孔之間的距離:45
法蘭的寬度:40
珠圈數:1×4
動額定負荷:1066
靜額定負荷:2987
剛性:37。
圖紙下載:SFI2004滾珠絲桿圖紙PDF
【SFIR2004滾珠絲桿穩定性好、壽命長】
穩定性是伺服進給系統能正常工作的最基本條件,特別是低速進給時不產生“爬行”,并能適應外加負載的變化而不產生共振。穩定性與系統的慣性、剛性、阻尼及增益等有關。進給系統的壽命,主要是指保持數控機床傳動精度和定位精度時間的長短,即各傳動部件保持其原制造精度的能力,所以,應合理選擇各傳動件材料、熱處理方式及加工工藝,并采用適宜的潤滑方式和防護措施,以延長壽命。
瀏覽SFI2004滾珠絲杠的用戶還會?
SCI2004滾珠絲杠、DFU2004滾珠絲桿等。
DFU2004滾珠絲杠參數
型號:DFU2004
絲桿外徑:20
導程:4
珠徑:2.381
螺母外徑:36
法蘭直徑:58
法蘭的厚度:10
螺母的長度:80
安裝孔之間的距離:47
法蘭的寬度:44
珠圈數:1×4
動額定負荷:1066
靜額定負荷:2987
剛性:51。
DFU圖紙下載:DFUR2004滾珠絲桿圖PDF
滾珠絲杠的支承方式
數控機床的進給系統要獲得較高的傳動剛度,除了加強滾珠絲杠螺母本身的剛度外,滾珠絲杠的正確安裝及其支承的結構剛度也是不可忽視的因素。螺母座、絲杠端部的軸承及其支承加工的不精確性和它們在受力后的過量變形,都會給進給系統的傳動剛度帶來影響。
因此,螺母座的孔與螺母之間必須保持良好的配合,并應保證孔對端面的垂直度。螺母座應增加適當的肋板,并加大螺母座和機床結合部件的面積,以提高螺母座的局部剛度和接觸剛度。滾珠絲杠的不正確及支承結構的剛度不足,會使滾珠絲杠的壽命大大下降。因此要注意軸承的選用和組合,尤其是軸向剛度要求較高。為了提高支承的軸向剛度,選擇適當的滾動軸承及其支承方式是十分重要的。

瀏覽DFU2004滾珠絲桿的用戶還會?
SCI2004滾珠絲桿、DFI2004滾珠絲杠等。
DFI2004滾珠絲桿參數
型號:DFI2004
絲桿外徑:20
導程:4
珠徑:2.381
螺母外徑:34
法蘭直徑:57
法蘭的厚度:11
螺母的長度:80
安裝孔之間的距離:45
法蘭的寬度:40
珠圈數:1×4
動額定負荷:1066
靜額定負荷:2987
剛性:51。
圖紙下載:DFI2004滾珠絲杠圖紙PDF
【什么是空心軸滾珠絲杠】
空心軸滾珠絲杠是采用中空材料加工,中空部位可作為流體腔體,可用來潤滑,冷卻,甚至可以放入電線或者信號線的絲杠。
【DFIR2004滾珠絲杠加工的方法】
滾珠絲桿加工可以車加工,也可以旋風銑加工,也可以數控車加工,關鍵是看你有什么設備及絲桿的螺距是不是標準的螺距,標準螺距機床是直接選擇普車都能搞定。非標的那就旋風銑或數控成加工了。

瀏覽DFI2004滾珠絲桿的用戶還會?
DFI1605滾珠絲杠、DFV2004滾珠絲桿等。
DFV2004滾珠絲桿參數
型號:DFV2004
絲桿外徑:20
導程:4
珠徑:2.381
螺母外徑:40
法蘭直徑:60
法蘭的厚度:10
螺母的長度:94
安裝孔之間的距離:50
法蘭的寬度:40
珠圈數:4.8×1
動額定負荷:1247
靜額定負荷:3584
剛性:61。
圖紙下載:DFVR2004滾珠絲桿圖紙PDF
【DFV2004滾珠絲桿放置注意事項】
(1)請避免在超過80°C的條件下使用。要超過80°C使用時,請與我們聯系。
(2)垃圾、鋸粉等異物附著時,請用乾凈煤油清洗后重新封入潤滑劑。有關可用清潔劑的種類,請與我們聯系。
(3)要使用於縱軸時,請采取對應錯施,如添加防止落下的安全機構等。否則,可能導致滾珠螺稈螺帽因自重而落下。
(4)使用時請不要超過容許轉速。否則,可能導致部件的破損、事故。使用轉速請控制在本公司的規格范圍內。

(5)請不要將部件強行打入滾珠絲杠軸或滾珠螺桿螺帽。滾動面可能會出現壓痕,安裝部件時請注意。
(6)絲杠軸的支撐部和滾珠絲杠螺帽出現偏位或歪斜時,將極端縮短其使用壽命,請注意安裝元件和安裝精度。
(7)要在經常有振動作用的場所、無塵室、真空、低溫或高溫等的特殊環境下使用時,有可能無法使用標準品,因此請咨詢我們。
(8)請不要讓滾珠絲杠螺帽超過懸臂范圍。否則,可能發生鋼球的脫落、鋼球循環部件的損傷等。
瀏覽DFV2004滾珠絲桿的用戶還會?
DFV1610滾珠絲桿、DFV1510滾珠絲桿等。
雷研精密傳動設備有限公司供應SFU2004滾珠絲杠【價格合理、貨源充足、品牌齊全、原裝正品】請需要SFU2004滾珠絲杠的朋友聯系:黃志杰(經理)? 聯系電話:15802034588。
SFU2004滾珠絲杠參數
型號:SFU2004
絲桿外徑:20
導程:4
珠徑:2.381
螺母外徑:36
法蘭的厚度:10
螺母的長度:42
法蘭的寬度:44
珠圈數:1×4
動額定負荷:1066
靜額定負荷:1551
剛性:38。
SFU圖紙下載:SFUR2004滾珠絲杠圖紙PDF
SFU2004滾珠絲杠潤滑
對滾珠絲杠進行合適的潤滑,不僅非常有助于保證預期的使用壽命,而且還對平穩行進屬性、操作生熱以及空轉力矩產生積極的影響。從原理上來說,用于滾動軸承的潤滑油和潤滑脂也適用于滾珠絲杠。除非客戶另有規定,否則使用符合ISO VG100標準的潤滑油進行功能驗收。

SFU2004滾珠絲杠使用潤滑脂潤滑方法
也可以使用潤滑脂來潤滑滾珠絲杠。使用這種方法,每次潤滑間隔的時間可以更長一些。鑒于會有少量潤滑脂從螺母溢出,并在滾珠絲杠的每個行程過長中停留在軸上(即使是擋油環發揮了最大功能),所以在操作過程中,可用的潤滑脂數量會逐漸減少。這限制了在不重新進行潤滑情況下滾珠絲杠的操作時間。

只有在通過集中潤滑系統補充了損失的潤滑脂,或者根據具體應用需求安排好潤滑計劃的情況下,才能達到預期的使用壽命L10。如果通過手工方式重新進行潤滑,平均可以增加使用壽命700小時。不過,這個數值會隨不同的機器設計方案和機器使用條件而發生很大變化。

瀏覽該產品的用戶還會?
SFU1204滾珠絲杠、SFU1610滾珠絲杠等
雷研精密傳動設備有限公司SCIR2004滾珠絲桿歡迎來電咨詢:15802034588
滾珠絲桿SCI2004參數價格
型號:SCI2004
導程:4
珠徑:2.381
鋼球循環圈數:1*4
剛性:37
動額定負荷:1066
靜額定負荷:2987
D:是螺母外徑:34
d:絲桿外徑:20
圖紙下載:SCIR2004滾珠絲桿圖紙下載PDF

【TBI滾珠絲桿簡介】
全球傳動科技股份有限公司(TBI MOTION) 成立TBI MOTION同時整合TBI的專業製造技術及COMTOP的行銷體系以展新的面貌引領市場。
TBI滾珠螺桿是以多年來所累績的制品技術甚而,從材料,熱我理、制造、檢查到出貨,者是以嚴謹的品保制度來加以管理,因此具有高信賴性。

【滾珠絲杠的優點】
滾珠絲杠傳動系統是一個以滾珠作為滾動媒介的滾動螺旋傳動的體系。以傳動形式分為,將回轉運動轉化成直線運動;將直線運動轉化成回轉運動,兩種。滾珠絲杠的具有以下優點:
【滾珠絲桿如何選型】
滾珠絲桿如何選型方法我列出三種供有需要的客戶參巧:
①軸向間隙的調整和預緊力的選擇
1墊片式 2螺紋式 3齒差式
選擇要求: 經濟可靠 易拆裝 剛度高
選擇方案:雙螺母墊片式預緊
選擇原因:結構簡單 可靠性好剛度高 拆裝方便。

②滾珠循環方式: 1內循環 2外循環
選擇方案:外循環
選擇原因:結構制造較易? 經濟實用。

③螺紋滾道型面的選擇: 1.單圓弧型面 2.雙圓弧型面
選擇要求:經濟易調試 穩定
選擇方案 2雙圓弧型面
選擇原因 接觸角不變雙圓弧交接處尚有小空隙可容納一些贓物這讀滾珠絲杠有利而不致堵塞。

TBI滾珠絲桿SCI2004:型號:SCI2004、導程:4、珠徑:2.381、鋼球循環圈數:1*4、剛性:37、動額定負荷:1066、靜額定負荷:2987、D:是螺母外徑:34、d:絲桿外徑:20
]]>