SFS3220滾珠絲桿參數
型號:SFS3220
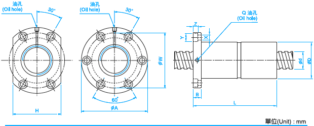
絲桿外徑:31
導程:20
珠徑:3.969
螺母外徑:50
法蘭直徑:80
法蘭的厚度:12
螺母的長度:80
安裝孔之間的距離:65
法蘭的寬度:62
珠圈數2.8×1
動額定負荷:1907
靜額定負荷:5482
剛性:43。
滾珠絲杠副在精密機床上的目的:
①滾珠絲杠副的進給精度高,可滿足數控機床移動部件的正確定位和均勻位移的要求。
②滾珠絲杠副的工作壽命長,可使數控機床長期工作仍保持精度不變。
③滾珠絲杠副經預緊后進給剛度高。
瀏覽SFS3220滾珠絲桿的用戶還會?
SFT3220滾珠絲杠、DFS3220滾珠絲杠等。
SFT3220滾珠絲桿參數
型號:SFT3220
絲桿外徑:32
導程:20
珠徑:6.35
螺母外徑:74
法蘭直徑:108
法蘭的厚度:16
螺母的長度:100
安裝孔之間的距離:90
法蘭的寬度:82
珠圈數:2.5×1
動額定負荷:3284
靜額定負荷:8004
剛性:43。
【滾珠絲桿變形分析及工藝改進】
??? 滾珠絲桿是傳動機構的重要零件。該工件特點是加工精度高,變形要求嚴格,由于加工工序多,熱處理質量和變形至關重要。生產中發現,工件滲碳淬火后彎曲變形嚴重,校正困難,熱處理后加工中亦出現較大變形,造成大量產品返修和不少工件報廢。
瀏覽SFT3220滾珠絲桿的用戶還會?
DFT3220滾珠絲桿、DFV3220滾珠絲桿等。
DFT3220滾珠絲杠參數
型號:DFT3220
絲桿外徑:32
導程:20
珠徑:6.35
螺母外徑:74
法蘭直徑:108
法蘭的厚度:16
螺母的長度:198
安裝孔之間的距離:90
法蘭的寬度:82
珠圈數:2.5×1
動額定負荷:3284
靜額定負荷:8004
剛性:57。
【滾珠絲桿按滾珠循環方式區分】
? 滾珠絲杠機構在工作時,內部的滾珠是以循環滾動的方式運動的,根據滾珠循環方式的不同,可以將滾珠絲杠機構分為以下兩種類型:內循環式、外循環式。
【彈性聯軸器的作用】
??? 當各種機器設備的抽與軸之問要連接傳遞動力時,一般采用皮帶傳動、鏈傳動或齒輪傳動,但在結構空間非常緊湊的情況下,如果要求兩軸在同一直線上而且等速轉動,就必須使用聯軸器來連接。聯軸器的作用就是將位于同一直線上的兩根傳動軸連接起來并傳遞扭矩。
瀏覽DFT3220滾珠絲桿的用戶還會?
DFS3220滾珠絲桿、DFV3220滾珠絲杠等。
DFS3220滾珠絲杠參數
型號:DFS3220
絲桿外徑:31
導程:20
珠徑:3.969
螺母外徑:50
法蘭直徑:80
法蘭的厚度:12
螺母的長度:160
安裝孔之間的距離:65
法蘭的寬度:62
珠圈數:2.8×1
動額定負荷:1907
靜額定負荷:5482
剛性:58。
什么是滾珠螺桿?
滾珠螺桿是通過鋼球在絲杠軸溝道和螺母中滾動,將旋轉運動轉換為直線運動的一種機械單元。并且通過循環機構使鋼球能無限的滾動。由于滾動運動的關系,相對于滑動絲杠具有更好的傳動效率。直線傳動效率甚至可以達到90%以上。通過精密機械研磨的精密研磨絲杠能擁有一個非常高的精度,進給量達到微米級。
瀏覽DFS3220滾珠絲桿的用戶還會?
DFV3220滾珠絲桿、SFE3232滾珠絲杠等。
DFV3220滾珠絲杠參數
型號:DFV3220
絲桿外徑:32
導程:20
珠徑:6.35
螺母外徑:74
法蘭直徑:108
法蘭的厚度:16
螺母的長度:200
安裝孔之間的距離:90
法蘭的寬度:82
珠圈數:2.7×1
動額定負荷:3509
靜額定負荷:8644
剛性:61

滾珠絲桿動作不順暢分析
異物進入鋼珠軌道
(1)包裝材料阻礙鋼珠軌道:出貨時以許多的材料及防銹袋來包裝滾珠螺桿,如果在包裝或排列的時候未以適當的程序來執行,異 物或其他物質可能會阻礙鋼珠軌道,導致鋼珠的滑軌而非正常滾動甚至卡死。
(2)加工碎屑進人軌道:滾珠螺桿若未安裝刮刷器,加工碎屑或灰塵的堆積就會阻礙鋼珠軌道。造成順暢度不佳、精度降低及減少使用壽命。
過行程
過行程會造成回流管的損傷或凹陷,甚至斷裂,而造成鋼珠無法正常運轉:在這惡劣的運轉條件下,可能會造成螺桿或螺帽珠槽表面的剝離。過行程發生的原岡可能發生于機臺設定、極限開關失效或撞車,為預防造成滾珠螺桿進一步損壞,重 新安裝前滾珠螺桿必須經制造商的重新檢修。
?回流管損壞
回流管在安裝時受到嚴重的撞擊,回流管可能會造成凹陷及引發前述相同的問題。
?偏心
如果螺帽座與軸承座不同心時會產生徑向負荷,兩者偏心量太大時會造成螺桿彎曲,甚 至偏心的情況,不可以造成明顯的螺桿彎曲時,異常磨耗仍持續發生:而螺帽設定的預壓力越高偏心精度的要求越高。
瀏覽DFV3220滾珠絲桿的用戶還會?
DFV1605滾珠絲杠、DFV1604滾珠絲桿等。