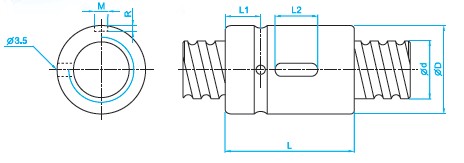
SCI8010滾珠絲杠參數
型號:SCI8010
絲桿外徑:80
導程:10
珠徑:6.35
螺母外徑:105
螺母的長度:85
珠圈數:1×4
動額定負荷:7346
靜額定負荷:31953
剛性:109。
【滾珠絲杠的預拉伸】
??? 滾珠絲杠在工作時會發熱,其溫度高于床身。絲杠的熱膨脹將使導程加大,影響定位精度。為了補償熱膨脹,可將絲杠預拉伸。預拉伸量應略大于熱膨脹量。發熱后,熱膨脹量抵消了部分預拉伸量,使絲杠內的拉應力下降,但長度卻沒有變化。需進行預拉伸的絲杠在制造時應使其目標行程(螺紋部分在常溫下的長度)等于公稱行程(螺紋部分的理論長度等于公稱導程乘以絲杠上的螺紋圈數)減去預拉伸量。拉伸后恢復公稱行程值。減去的量稱為“行程補償值”。
瀏覽SCI2005滾珠絲桿的用戶還會?
DFS8010滾珠絲杠、DFI8010滾珠絲杠等。
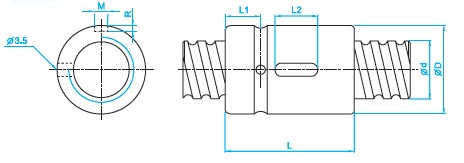
SCI6310滾珠絲桿參數
型號:SCI6310
絲桿外徑:63
導程:10
珠徑:6.35
螺母外徑:85
螺母的長度:85
珠圈數:1×4
動額定負荷:6719
靜額定負荷:25358
剛性:95。
根據推力軸承的布置,絲杠有以下四種支承方式。
(1)“雙推一自由”式這種方式適用于短絲杠。
(2)“雙推一支承”式這種方式可避免絲杠因自重引起彎曲,以及高速回轉時自由端的晃動。
(3)“單推一單推”或“雙推一單推”式它的優點是可對絲杠進行預拉伸安裝。預拉伸的好處有:
①減少絲杠因自重引起的彎曲;
②在推力軸承預緊力大于絲杠最大軸向載荷1/3的條件下,絲杠拉壓剛度可提高四倍;
③絲杠不會因溫升而伸長(溫升只減小預拉伸應力),保持了絲杠精度。此外,這種支承方式使絲杠只承受拉力,不承受壓力。因此不存在壓桿穩定性問題。
(4)“雙推一雙推”式這種支承方式剛度最高。只要軸承無軸向間隙,絲杠的拉壓剛度可提高四倍。可以進行預拉伸安裝,克服熱膨脹。當溫升超過預計的溫升時,不會像“單推一單推”式那樣產生軸向間隙。這種支承方式的最大缺點是:實現預拉伸及其調整方法較第三種支承方式復雜。
瀏覽SCI6310滾珠絲桿的用戶還會?
DFS6310滾珠絲桿、DFI6310滾珠絲桿、SFU6310滾珠絲杠等。
SCI5010滾珠絲杠參數
型號:SCI5010
絲桿外徑:50
導程:10
珠徑:6.35
螺母外徑:72
螺母的長度:85
珠圈數:1×4
動額定負荷:6004
靜額定負荷:19614
剛性:83。
【滾珠絲杠支承軸承的選用】
? 由于絲杠主要承受軸向力,大多采用推力軸承作支承。在相同尺寸條件下,推力球軸承軸向剛度比向心推力球軸承及圓錐滾子軸承的軸向剛度要大一倍以上;推力滾柱軸承剛度又比推力球軸承大一倍左右。當軸向載荷較小時,可不用推力球軸承而用向心推力球軸承,這樣可減少軸承數量。
瀏覽SCI5010滾珠絲桿的用戶還會?
DFS5010滾珠絲杠、SFU5010滾珠絲杠、DFI5010滾珠絲杠等。
SCI4010滾珠絲桿參數
型號:SCI4010
絲桿外徑:40
導程:10
珠徑:6.35
螺母外徑:62
螺母的長度:85
珠圈數:1×4
動額定負荷:5399
靜額定負荷:15500
剛性:72。
【選擇滾珠絲杠副精度的原則是】
(1)要滿足主機定位精度的要求滾珠絲杠副的綜合行程誤差大約為主機定位誤差的(30—40)%。
(2)要合理選擇滾珠絲杠副的精度,盲目提高精度等級是不經濟的。相同尺寸規格的精度滾珠絲杠副,每提高一個精度等級,成本增加30%以上。而且由于制造周期相應加長,延長了交貨期。
(3)對于精密機床,在選擇相應等級時,還要考慮包括滾珠絲杠副在內的整個進給伺服系統的熱變形對滾珠絲杠副導程精度的影響。通常,對滾珠絲杠副施加適當的預拉力,使其拉伸量接近絲杠的熱變形量。這樣在工作過程中,軸向熱變形量正好與絲杠彈性恢復量抵消,從而達到預期的定位精度。
瀏覽SCI4010滾珠絲桿的用戶還會?
DFS4010滾珠絲杠、DFI4010滾珠絲杠、SFU4010滾珠絲桿等。
SCI4005滾珠絲杠參數
型號:SCI4005
絲桿外徑:40
導程:5
珠徑:3.175
螺母外徑:56
螺母的長度:45
珠圈數:1×4
動額定負荷:2110
靜額定負荷:7988
剛性:59。
【滾珠絲杠副精度】
??? 據JB 31622–1982標準,我國滾珠絲杠副根據使用范圍和要求分為六個精度等級,即C、D、E、F、G、H級。C級精度最高,依次逐級降低,而JB 31622–1991分為1、2、3、4、5、7、10共七個等級,1級最高,依次遞減。據使用范圍,又可分為定位P類和傳動T類。
瀏覽SCI4005滾珠絲桿的用戶還會?
DFS4005滾珠絲杠、SFU4005滾珠絲杠等!
SCI3210滾珠絲桿參數
型號:SCI3210
絲桿外徑:32
導程:10
珠徑:6.35
螺母外徑:54
螺母的長度:85
珠圈數:1×4
動額定負荷:4805
靜額定負荷:12208
剛性:62。
【絲杠的安裝方法】
? 安裝絲杠與螺母主要有兩種方法:軸轉,螺母不轉;或者軸不轉,螺母轉。后者經常用在長軸的極限臨界轉速低于想得到的最大轉速時,也用在拖板的長度大于行程時。旋轉的螺母通過軸承支撐和工作臺相聯,在齒輪、同步皮帶或者使用螺母的外徑作為電動機轉子軸的直接驅動電動機的帶動下旋轉,電動機使用螺母的外徑作為電動機轉子軸。一些制造商提供用于旋轉螺母的與滾珠軸承作成整體式的滾珠絲杠螺母。
瀏覽SCI3210滾珠絲桿的用戶還會?
DFI3210滾珠絲杠、DFS3210滾珠絲杠等
SCI3205滾珠絲杠參數
型號:SCI3205
絲桿外徑:32
導程:5
珠徑:3.175
螺母外徑:46
螺母的長度:45
珠圈數:1×4
動額定負荷:1922
靜額定負荷:6343
剛性:52.

【絲杠的長度界限】
滾珠絲杠在制造時其長度有一定的限制,一般廠家會在產品目錄中給出不同精度等級和軸徑條件下的絲杠長度界限。在界限之內的屬標準產品,超過界限的則要和廠家單獨聯系定做。一般情況下,廠家提供的標準品是夠用的,如C0級的絲杠最長可到2m,C3以卞精度級別的可到10m。
瀏覽SCI3205滾珠絲杠的用戶還會?
DFS3205滾珠絲桿、SFU3205滾珠絲桿等。
SCI3204滾珠絲桿參數
型號:SCI3204
絲桿外徑:32
導程:4
珠徑:2.381
螺母外徑:46
螺母的長度:40
珠圈數:1×4
動額定負荷:1296
靜額定負荷:4838
剛性:49。
【滾珠絲杠的精度】
? 影響定位精度的誤差因素主要有導程精度、軸向間隙、螺桿的軸向剛度等。其他重要因素還有因發熱引起的熱變形,因導向系統引起的運動姿態變化等。選擇滾珠絲杠時還應該考慮到的因素有:滾珠的圓度與尺寸一致性;預加載荷;循環路徑的入口與出口的設計;安裝精度;熱膨脹的機械補償等。
? 通常來說,制造球體比較容易,而且精度很高,問題主要存在 于螺紋以及其他的非球體因素。
瀏覽SCI3204滾珠絲桿的用戶還會?
DFI3204滾珠絲杠、DFV3204滾珠絲杠等。
【TBI滾珠絲桿SCI2510詳細信息】
產品品牌:TBI
產地:臺灣
型號:SCI2510
導程:10
珠徑:4.762
鋼珠循環圈數:1×4
剛性:51
絲桿外徑:25
螺母外徑:46
動額定負荷:2954
靜額定負荷:7295
【滾珠絲桿真假判斷】
簡單判別滾珠螺桿的真假-只是裝置方式不同了,你看滾珠絲桿副。看你策畫時候的裝置尺寸和空間,測洛氏硬度,滾珠絲桿規格。至多HRC60.。另外還要思慮到絲桿的負荷。(可以對照圖紙)關于圖紙雷研精密傳動設備有各品牌的圖紙,歡迎來電索取。
【如何選購滾珠螺桿】
?選購滾珠螺桿聽起來看起來比較麻煩,其實細究一下也是很簡單的東西。根據負荷,速度,加速度,最大移動長度,定位精度,希望壽命,環境(振動,沖擊,周圍氣體),潤滑等方面進行選擇。
產品品牌:TBI、產地:臺灣、型號:SCI2510、導程:10、珠徑:4.762、鋼珠循環圈數:1×4、剛性:51、絲桿外徑:25、螺母外徑:46
動額定負荷:2954、靜額定負荷:7295。
【臺灣TBI SCI2505滾珠絲桿詳細信息】
產品品牌:TBI
產地:臺灣
型號:SCI2505
導程:5
珠徑:3.175
鋼珠循環圈數:1×4
剛性:45
絲桿外徑:25
螺母外徑:40
動額定負荷:1742
靜額定負荷:4904
TBI品牌介紹:http://www.shiguangbaojian.cn/45.html
相關知識:
【上銀自潤式滾珠螺桿】
特征:節省成本:無需潤滑管路系統與設備、換油及廢油處理的成本,且大量節省油品成本。 大幅延長保養周期:可長時間的維持適量的潤滑油脂供應,大幅延長保養維護周期。 簡易的更換或補充:
【軋制滾珠絲杠】
軋制滾珠絲杠是一種價格低廉的進給絲杠,它利用精密滾軋成形以及經特殊表面研磨而成的絲杠軸,取代了精密滾珠絲杠中所使用的昂貴的研磨絲杠軸。
【滾珠絲桿聯軸器】
滾珠絲杠聯軸器常用于安裝于伺服電機(或步進電機)與滾珠絲杠之間,因其使用場合的精密性,必須具備特殊的性能:
相關型號:SCI2504
]]>