當前位置: 滾珠絲桿網 ? 2505滾珠絲杠 ? DFV2505滾珠絲桿
DFV2505滾珠絲桿
雷研精密傳動設備有限公司供應DFV2505滾珠絲桿【貨源充足、價格合理、原裝正品、品牌齊全】滿足客戶的需求。請需要DFV2505滾珠螺桿的朋友聯系:黃志杰(經理)? 聯系電話:15802034588。
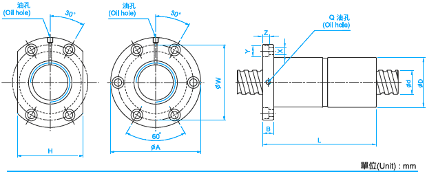
DFV2505滾珠絲杠參數
型號:DFV2505
絲桿外徑:25
導程:5
珠徑:3.175
螺母外徑:50
法蘭直徑:73
法蘭的厚度:11
螺母的長度:105
安裝孔之間的距離:61
法蘭的寬度:52
珠圈數:4.8×1
動額定負荷:2017
靜額定負荷:5884
剛性:75。
潤滑
對滾珠絲杠進行合適的潤滑,不僅非常有助于保證預期的使用壽命,而且還對平穩行進屬性、操作生熱以及空轉力矩產生積極的影響。從原理上來說,用于滾動軸承的潤滑油和潤滑脂也適用于滾珠絲杠。
使用潤滑油潤滑
一般來說,使用CL潤滑油來增加滾珠絲杠的抗腐蝕能力和耐久性。也可以使用帶有EP添加劑的合金潤滑油。決定粘度是否合適的因素包括圓周速度(亦即直徑和速度)和環境或預期操作溫度。
每圈滾珠所需的潤滑油量在0.3到0.5 cm3/h之間,具體數值與速度有關。如果使用液體潤滑脂,則只需要十分之一的量即可。對于浸油式潤滑,如果是水平式安裝,只需油位達到最低滾珠的一半即可。
瀏覽DFV2505滾珠絲桿的用戶還會?
DFV2010滾珠絲杠、DFV1510滾珠絲杠等。
滾珠絲杠討論①群263545937(專家在線為你解答)歡迎你的加入!
版權所有 © 轉載時必須以鏈接形式注明作者和原始出處!


