當前位置: 滾珠絲桿網 ? 8010滾珠絲杠 ? SCI8010滾珠絲桿
SCI8010滾珠絲桿
雷研精密傳動設備有限公司供應SCI8010滾珠絲桿【貨源充足、價格合理、原裝正品、品牌齊全】請需要SCI8010滾珠絲杠的朋友聯系:黃志杰(經理)? 聯系電話:15802034588。
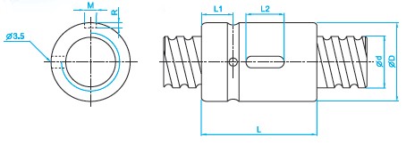
SCI8010滾珠絲杠參數
型號:SCI8010
絲桿外徑:80
導程:10
珠徑:6.35
螺母外徑:105
螺母的長度:85
珠圈數:1×4
動額定負荷:7346
靜額定負荷:31953
剛性:109。
【滾珠絲杠的預拉伸】
??? 滾珠絲杠在工作時會發熱,其溫度高于床身。絲杠的熱膨脹將使導程加大,影響定位精度。為了補償熱膨脹,可將絲杠預拉伸。預拉伸量應略大于熱膨脹量。發熱后,熱膨脹量抵消了部分預拉伸量,使絲杠內的拉應力下降,但長度卻沒有變化。需進行預拉伸的絲杠在制造時應使其目標行程(螺紋部分在常溫下的長度)等于公稱行程(螺紋部分的理論長度等于公稱導程乘以絲杠上的螺紋圈數)減去預拉伸量。拉伸后恢復公稱行程值。減去的量稱為“行程補償值”。
瀏覽SCI2005滾珠絲桿的用戶還會?
DFS8010滾珠絲杠、DFI8010滾珠絲杠等。
滾珠絲杠討論①群263545937(專家在線為你解答)歡迎你的加入!
版權所有 © 轉載時必須以鏈接形式注明作者和原始出處!


