當前位置: 滾珠絲桿網 ? 2504滾珠絲杠 ? SFI2504滾珠絲杠
SFI2504滾珠絲杠
雷研精密傳動設備有限公司供應SFI2504滾珠絲杠【貨源充足、價格合理、原裝正品、品牌齊全】請需要SFI2504滾珠絲杠的朋友聯系:黃志杰(經理)? 聯系電話:15802034588。
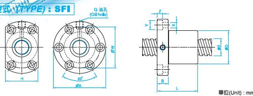
SFI2504滾珠絲桿參數
型號:SFI2504
絲桿外徑:25
導程:4
珠徑:2.381
螺母外徑:40
法蘭直徑:63
法蘭的厚度:11
螺母的長度:46
安裝孔之間的距離:51
法蘭的寬度:46
珠圈數:1×4
動額定負荷:1180
靜額定負荷:3795
剛性:43。
【滾珠絲杠的預拉伸】
??? 滾珠絲杠在工作時會發熱,其溫度高于床身。絲杠的熱膨脹將使導程加大,影響定位精度。為了補償熱膨脹,可將絲杠預拉伸。預拉伸量應略大于熱膨脹量。發熱后,熱膨脹量抵消了部分預拉伸量,使絲杠內的拉應力下降,但長度卻沒有變化。需進行預拉伸的絲杠在制造時應使其目標行程(螺紋部分在常溫下的長度)等于公稱行程(螺紋部分的理論長度等于公稱導程乘以絲杠上的螺紋圈數)減去預拉伸量。拉伸后恢復公稱行程值。減去的量稱為“行程補償值”。
瀏覽SFI2504滾珠絲桿的用戶還會?
DFU2504滾珠絲杠、DFV2004滾珠絲杠等。
滾珠絲杠討論①群263545937(專家在線為你解答)歡迎你的加入!
版權所有 © 轉載時必須以鏈接形式注明作者和原始出處!


