當前位置: 滾珠絲桿網 ? 4010滾珠絲杠 ? SCI4010滾珠絲杠
SCI4010滾珠絲杠
雷研精密傳動設備有限公司供應SCI4010滾珠絲杠【貨源充足、價格合理、原裝正品、品牌齊全】請需要SCI4010滾珠絲桿的朋友聯系:黃志杰(經理)? 聯系電話:15802034588。
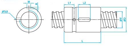
SCI4010滾珠絲桿參數
型號:SCI4010
絲桿外徑:40
導程:10
珠徑:6.35
螺母外徑:62
螺母的長度:85
珠圈數:1×4
動額定負荷:5399
靜額定負荷:15500
剛性:72。
【選擇滾珠絲杠副精度的原則是】
(1)要滿足主機定位精度的要求滾珠絲杠副的綜合行程誤差大約為主機定位誤差的(30—40)%。
(2)要合理選擇滾珠絲杠副的精度,盲目提高精度等級是不經濟的。相同尺寸規格的精度滾珠絲杠副,每提高一個精度等級,成本增加30%以上。而且由于制造周期相應加長,延長了交貨期。
(3)對于精密機床,在選擇相應等級時,還要考慮包括滾珠絲杠副在內的整個進給伺服系統的熱變形對滾珠絲杠副導程精度的影響。通常,對滾珠絲杠副施加適當的預拉力,使其拉伸量接近絲杠的熱變形量。這樣在工作過程中,軸向熱變形量正好與絲杠彈性恢復量抵消,從而達到預期的定位精度。
瀏覽SCI4010滾珠絲桿的用戶還會?
DFS4010滾珠絲杠、DFI4010滾珠絲杠、SFU4010滾珠絲桿等。
滾珠絲杠討論①群263545937(專家在線為你解答)歡迎你的加入!
版權所有 © 轉載時必須以鏈接形式注明作者和原始出處!


